产品中心 | 联系我们 您好,欢迎访问东莞市超翔电子有限公司官方网站,我们将竭诚为您服务!
风华高科授权代理商 一站式电子元器件整合供应商
全国咨询热线:0769-85325266
您的位置: 首页>产品中心>风华电容>MLCC
MLCC

通用型多层片式陶瓷电容器

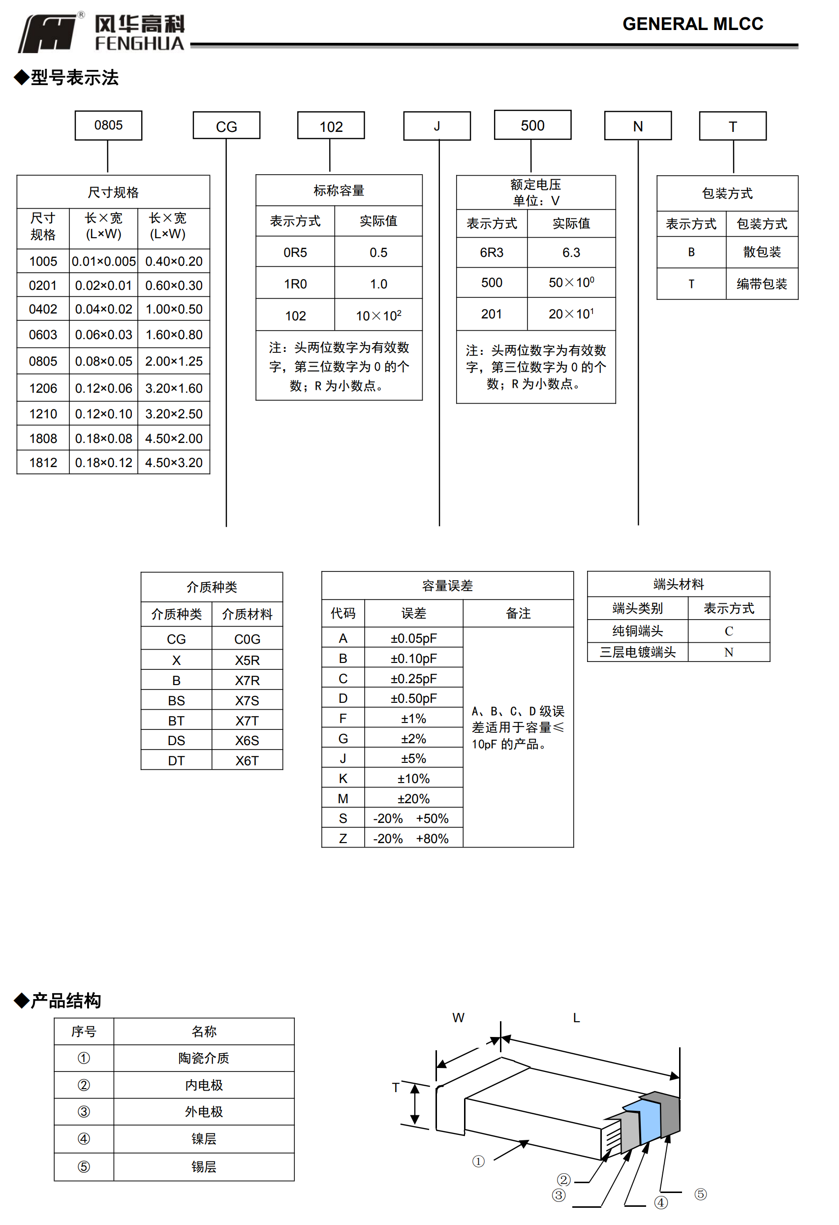
■通用型系列片式陶瓷电容器◆特征*叠层独石结构,具有高可靠性能*具有优良的焊接与耐焊性能,适用于回流焊接与波峰焊接*具有较高的容量且容量性能稳定*高频类:此类介质材料的电容器为Ⅰ类电容器。其中 COG、COH 电容器电性能最稳定,几乎不随温度、电压和时间的变化而变化,适用于低损耗,稳定性要求高的高频电路。*X7R、

在线咨询全国热线
0769-85325266
产品描述

■通用型系列片式陶瓷电容器

通用型多层片式陶瓷电容器.png

◆特征

*叠层独石结构,具有高可靠性能

*具有优良的焊接与耐焊性能,适用于回流焊接与波峰焊接

*具有较高的容量且容量性能稳定

*高频类:此类介质材料的电容器为Ⅰ类电容器。其中 COG、COH 电容器电性能最稳定,几乎不随温度、电压和时间的变化而变化,适用于低损耗,稳定性要求高的高频电路。

*X7R、X7S、X7T、X6S、X6T、X5R、:此类介质材料的电容器为Ⅱ类电容器,具有较高的介电常数,容量比Ⅰ类电容器高,具有较稳定的温度特性,适用于容量范围广,稳定性要求不高的电路中,如隔直、耦合、旁路、鉴频等电路中。


◆应用

*应用于各种滤波、耦合、谐振、旁路、高频电子线


在线客服
联系方式

热线电话

0769-85325266

上班时间

周一到周六

手机号码

13712101206

微信二维码
线